銷售①:13508662630 銷售②:13507271573
公司地址:襄陽市樊城區春園西路賈洼工業園 郵箱:xfycdq@163.com
一、LP靜止式進相器和LVP變負載進相器的不同之處進相器分類就兩種,一種是靜止式進相器,另一種是變負載進相器,LP靜止式進相器與LVP變負載進相器都是無功補償柜......
發布時間:2017-04-21
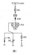
在傳統設計中,鼠籠式電機啟動往往采用直接啟動、串電抗器啟動或用自耦變壓器啟動,而進口軟啟動裝置和變阻軟啟動裝置因投資昂貴而較少使用。但是采用直接啟動、串電抗器啟......
發布時間:2017-04-21
那么可能很多電氣設備公司都不是很了解水阻起動柜是一個什么東西,那么現在我們針對這個水阻起動柜告訴大家。 水電組其實也就是液體電阻,用到的也就是液體電阻起動柜了,......
發布時間:2017-04-21
分析一下龍門刨電氣改造方案解析,我么估計 很多電氣設備公司都不是很了解,那么我們都需要如何操作這些呢,需要我們做到才是最好的。 電氣之家小不點報道:我國60到8......
發布時間:2017-04-21
水阻柜,也可以說是襄陽電氣生產制造城市豬鼻。那么為何要這么說呢,其實水阻柜也是比較不錯的,必定現在做水阻柜的廠家還是非常多的,但是大部分基本都是襄陽電氣廠家在制......
發布時間:2017-04-21



(不想等待可點擊按鈕通過QQ進行溝通,或直接電聯。)
關閉