銷售①:13508662630 銷售②:13507271573
公司地址:襄陽市樊城區春園西路賈洼工業園 郵箱:xfycdq@163.com
輸入最大輸入功率56200W最大輸入電壓1000V啟動電壓300V額定輸入電壓620VMPP電壓范圍300~950V滿載MPP電壓范圍500~850VMPPT數......
發布時間:2017-05-13
1.并網逆變器選型并網逆變器是光伏并網發電系統的核心轉換設備,它連接直流側和交流側,需具有完善的保護功能、優質的電能輸出。對逆變器的選型需滿足如下要求:(1)高......
發布時間:2017-05-13
本設計按照谷城縣的氣候條件為設計依據。當地地理及氣象條件:谷城屬亞熱帶季風型大陸氣候過渡區,具有四季分明,氣候溫和,光照充足,熱量豐富,降雨適中,雨熱同季等特點......
發布時間:2017-05-13
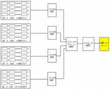
集中式水泥屋頂,電池組件選用260Wp多晶硅電池組件,共鋪設1154塊組件,共60個光伏串列,裝機容量為300kWp,通過原有400V低壓配電母線并網??傮w方案......
發布時間:2017-05-13
GB50217-2007《電力工程電纜設計規范》GB/T19939-2005《光伏系統并網技術要求》IEEE1547:2003《分布式電源與電力系統進行互連的標......
發布時間:2017-05-13



(不想等待可點擊按鈕通過QQ進行溝通,或直接電聯。)
關閉